一、产品个性:
1. XKC-Y25-XXX 非接触式液位传感器,合用于非金属容器,产品通过检测信号穿透非金属容器、管路表 壁感应检测液体的方式,而无需与液体直接接触,不会受到强酸、强碱等侵蚀性液体的侵蚀粉碎,不受水垢或其 他杂物影响,即可实现在容器或管路表检测内部有无液体。
2. 可支持凹凸电平输出、NPN、PNP 信号输出(选型时与厂家注明即可)。
3. 检测液位正确不变,冷、热、沸液体皆可检测。
4. 纯电子电路结构,非机械工作方式,机能不变,持续使用寿命长。
5. 高不变性,高活络度,抗滋扰能力强,不受表界电磁滋扰,针对工频滋扰及共模滋扰有做特殊处置,以 兼容市面上所有的 5-24V 电源适配器。
6. 使用领域广,感应能力强,可穿透检测各类非金属材质的容器内液体液位,如塑料、玻璃、陶瓷等容器, 感应距离(容器壁厚)可达 20mm;液体、粉末、颗粒物均可检测。
7. 开集电极输出方式,电压领域宽(5-24V),适合衔接各类电路及产品利用。
二、工作道理:
智能型非接触式液位传感器是利用水的感应电容来检测是否有液体存在,在没有液体靠近传感器时,传感器 上由于散布电容的存在,因而传感器对地存在肯定的静态电容,当液面慢慢升高靠近传感器时,液体的寄生电容 将耦合到传感器静态电容上,使传感器的电容值变大,该变动的电容信号再输入到节造 IC 进行信号转换,将变动的电容量转换成电路信号的仿照量变动,再由 MCU 推算和判断这个变动量的水平,倒剽个变动量超过肯定的阈 值时就以为液位达到感应点。
项目名称 | 参数 | |||
产品规格型号 | XKC-Y25-V | XKC-Y25-RS485 | XKC-Y25-PNP | XKC-Y25-NPN |
直流输入 电压(Vin) | DC5V-24V | 24V (可定造 12V) | DC 5V-12V 和 DC24V | DC 5V-12V 和 DC24V |
输出方式 | 凹凸电平 | 通讯输出 | 开关量(高电平有效) | 开关量(低电平有效) |
电源纹波要求 | ≤200 mV | |||
耗电流 | 5mA | |||
响应功夫 | 500mS | |||
工作环境温度 | -20~105℃ | |||
湿度 | 5%~100% | |||
感应厚度 (活络度)范 围 | ≤20mm (容器壁厚) | |||
液位精度 | ±1.5mm | |||
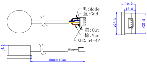
线长 | 500MM (±10MM)(批量可定造) | |||
线端定义 | 棕色(VCC)、黄色(信号输出) 蓝色(GND)、玄色(信号选择端) | |||
材质 | PC-V0 防火料 | |||
防水机能 | IP67 | |||
安规尺度认证 | CE | |||
环保认证 | ROHS-2.0 | |||
